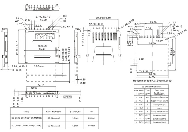
Electrical: Voltage: 100V AC (RMS)/DC Current:0.5A Ac(RMS)/DC Contact Resistance:80MΩ Max Insulation Resitance:1000MΩ Min Dielectric Withstanding Voltage:1000 VAC/RMS Operating Temp: -25oC~+90oC
Materials: Housing:High temperature Plastic UL 94V-0 Terminal:Copper Alloy

|