首 页 关于我们 产品展示 新闻中心 营销网络 服务中心 招贤纳士 联系我们
HDMI系列
插座系列
开关系列
连接器系列
  当前的位置:首页 > 产品展示
在线订购】 【返回上一页
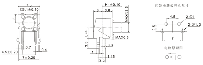
TC-0204

KFC轻触开关系列主要技术参数

使用温度范围:-25~+85oC
额定负荷:DC 12V 0.1A
接触电阻:≤0.03Ω
绝缘电阻:≥100MΩ
耐压:AC 250V(50Hz)/min
动作力:1.3±0.5N
寿命:100000次

东莞市宙辉电子科技有限公司 版权所有  电话:86-769-89890111  传真:86-769-89890222  地址:东莞市塘厦镇科苑城沙新路113号 粤ICP备10384729号