首 页
关于我们
产品展示
新闻中心
营销网络
服务中心
招贤纳士
联系我们
HDMI系列
插座系列
·
AV同芯插座系列
·
2.5/3.5插座系列
·
6.35插口系列
·
DC电源插座系列
·
S端子系列
·
SCART 插座系列
·
VGA DVI系列
·
USB插座系列
·
WP外接线插座系列
·
RJ45/RJ11系列
开关系列
·
轻触开关系列
·
小拨动开关系列
·
按键开关系列
·
电源开关系列
·
船形开关系列
连接器系列
·
CARD系列
·
FPC系列
·
排针排母系列
当前的位置:
首页
> 产品展示
【
在线订购
】 【
返回上一页
】
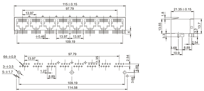
RJ45-08
SPEC:5921-S-BK7/V-B-1*B-8c-III
东莞市宙辉电子科技有限公司 版权所有 电话:86-769-89890111 传真:86-769-89890222 地址:东莞市塘厦镇科苑城沙新路113号
粤ICP备10384729号