Features and Benefits Surface mount RJ45/Dual USB Combo is a through Hole integrated connector, with a single RJ45 in Combinationwigh 2USB Ports The internal magnetics are designed to support 10/100 /100Base-TX applications such as LAN-0N-Motherboard(L0M),Hub and Switches.
Features and Benefits · LAN interface suitable for 10/100/1000 Base-TX applications · Available with and without LEDs · RJ45/USB stacked design saves on PCB real estate · USB module complies with USB 2.0 standaards and meets CAT5 Fase Ethernet industry performance standard · Internal magnetics are 100% electrically tested for Hi-POT and functionality
Electrical Performance Summary · Internal magnetics options available · Meets or exceeds IEEE 802.3i/u/ab and ANSI X 3.263 standards · 350 µH minimum OCL with 8 mA DC bias current · Hugh Performance for maximum EMI suppression · Minimum 1500 Vrms isolation per IEEE 802.3i/u/ requirement
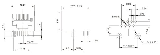
Electrical Specifications @25oC-Operating Temperature 0oC to 70oC

Knot the compostition


|