首 页 关于我们 产品展示 新闻中心 营销网络 服务中心 招贤纳士 联系我们
HDMI系列
插座系列
开关系列
连接器系列
  当前的位置:首页 > 产品展示
在线订购】 【返回上一页
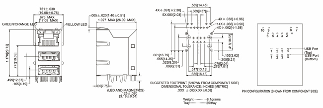
RJ45-T-201

Features and Benefits
Surface mount RJ45/Dual USB Combo is a through Hole integrated connector, with a single RJ45 in Combinationwigh 2USB Ports The internal magnetics are designed to support 10/100 /100Base-TX applications such as LAN-0N-Motherboard(L0M),Hub and Switches.

Features and Benefits
· LAN interface suitable for 10/100/1000 Base-TX applications
· Available with and without LEDs
· RJ45/USB stacked design saves on PCB real estate
· USB module complies with USB 2.0 standaards and meets CAT5 Fase Ethernet industry performance standard
· Internal magnetics are 100% electrically tested for Hi-POT and functionality

Electrical Performance Summary
· Internal magnetics options available
· Meets or exceeds IEEE 802.3i/u/ab and ANSI X 3.263 standards
· 350 µH minimum OCL with 8 mA DC bias current
· Hugh Performance for maximum EMI suppression
· Minimum 1500 Vrms isolation per IEEE 802.3i/u/ requirement

Electrical Specifications @25oC-Operating Temperature 0oC to 70oC

Knot the compostition

东莞市宙辉电子科技有限公司 版权所有  电话:86-769-89890111  传真:86-769-89890222  地址:东莞市塘厦镇科苑城沙新路113号 粤ICP备10384729号