首 页 关于我们 产品展示 新闻中心 营销网络 服务中心 招贤纳士 联系我们
HDMI系列
插座系列
开关系列
连接器系列
  当前的位置:首页 > 产品展示
在线订购】 【返回上一页
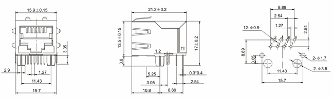
RJ45-T-05

Description:
10/100Base-TX surface mount RJ45 single 1X1 Tab-UP/DOWN with or without LEDs Integrated Magnetics connector, designed to support applications such as:set Tox and network cards (NIC)


Features and benefits
· RJ451X1,Tab-DOWN 8-Pin with internal magnetics
· Options:1X1 for 10/100 Base-TX
· Available with and without LEDs
· Suitable for CAT 5 and 6 Fast Ethemet cable or better UTP
· Internal magnetics are 100% electrically tested for Hi-POT and functionality


Electrical Performance Summary
· Internal magnetics options available
· Meets or exceeds IEEE 802.3ab standard for 100Base-TX
· 350 µH minimum OCL with 8 mA DC bias current
· Hugh Performance for maximum EMI suppression
· Minimum 1500 Vrms isolation per IEEE 802.3 requirement


Electrical Specifications @25oC-Operating Temperature 0oC to 70oC



东莞市宙辉电子科技有限公司 版权所有  电话:86-769-89890111  传真:86-769-89890222  地址:东莞市塘厦镇科苑城沙新路113号 粤ICP备10384729号