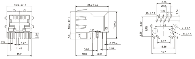
Description: 10/100Base-TX surface mount RJ45 single 1X1 Tab-UP/DOWN with or without LEDs Integrated Magnetics connector, designed to support applications such as:set Tox and network cards (NIC)
Features and benefits · RJ451X1,Tab-DOWN 8-Pin with internal magnetics · Options:1X1 for 10/100 Base-TX · Available with and without LEDs · Suitable for CAT 5 and 6 Fast Ethemet cable or better UTP · Internal magnetics are 100% electrically tested for Hi-POT and functionality
Electrical Performance Summary · Internal magnetics options available · Meets or exceeds IEEE 802.3ab standard for 100Base-TX · 350 µH minimum OCL with 8 mA DC bias current · Hugh Performance for maximum EMI suppression · Minimum 1500 Vrms isolation per IEEE 802.3 requirement
Electrical Specifications @25oC-Operating Temperature 0oC to 70oC


|