首 页 关于我们 产品展示 新闻中心 营销网络 服务中心 招贤纳士 联系我们
HDMI系列
插座系列
开关系列
连接器系列
  当前的位置:首页 > 产品展示
在线订购】 【返回上一页
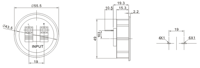
WP2-1

WP 外接线插座系列主要技术参数

使用温度范围:-40~55oC
额定负荷:AC 50V 3A
接触电阻:≤30mΩ
绝缘电阻:≥100MΩ
耐压:AC 500V(50Hz)/1min
线保持力:1Kgf
适用线材:AWG#24-#16
寿命:5000次

东莞市宙辉电子科技有限公司 版权所有  电话:86-769-89890111  传真:86-769-89890222  地址:东莞市塘厦镇科苑城沙新路113号 粤ICP备10384729号