首 页 关于我们 产品展示 新闻中心 营销网络 服务中心 招贤纳士 联系我们
HDMI系列
插座系列
开关系列
连接器系列
  当前的位置:首页 > 产品展示
在线订购】 【返回上一页
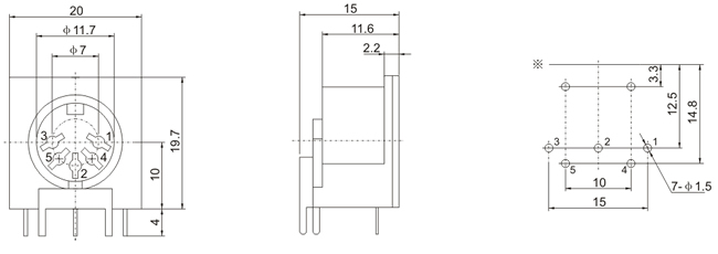
DS-5-003

S端子系列主要技术参数

使用温度范围:-20~70oC
额定负荷:DC 30V 0.5A
接触电阻:≤0.03mΩ
绝缘电阻:≥100MΩ
耐压:AC 250V(50Hz)/1min
插拔力:5~30N
寿命:1000次

东莞市宙辉电子科技有限公司 版权所有  电话:86-769-89890111  传真:86-769-89890222  地址:东莞市塘厦镇科苑城沙新路113号 粤ICP备10384729号