首 页 关于我们 产品展示 新闻中心 营销网络 服务中心 招贤纳士 联系我们
HDMI系列
插座系列
开关系列
连接器系列
  当前的位置:首页 > 产品展示
在线订购】 【返回上一页
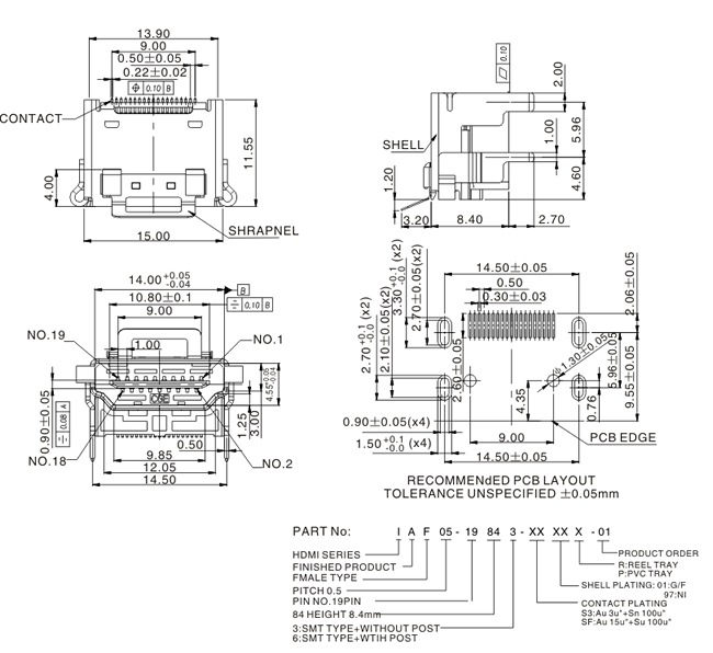
卧式-A-F09

PRODUCT SPECIFICATIONS:
1、VOLTAGE RATING:40V
2、CURRENT RATING:0.5A MAX
3、INSULATION RESISTANCE:100MEG.OHM MIN
4、CONTACT RESISTANCE:30 MILL. HM MAX
5、OPERATION TEMPERATURE:-20oTO+85o
6、INSERT FORCE:44.1N MAX
7、EXTRACT FORCE:9.8N MIN
8、DURABILITY:10000 CYCLES

东莞市宙辉电子科技有限公司 版权所有  电话:86-769-89890111  传真:86-769-89890222  地址:东莞市塘厦镇科苑城沙新路113号 粤ICP备10384729号